-
用途
-
技术参数
项目
技术指标
环境温度(℃)
-20~+50
额定电流(A)
2.5(可定制)
额定电阻Ω(20℃)
2(可定制)
额定吸力(N)
≥50(可定制)
有效行程(mm)
2.8
全行程(mm)
≥3.2
力滞环(%)
5
电流滞环(%)
3
最高工作压力(Mpa)
21
外壳防护等级
IP65
耐温绝缘等级
H级(180)
电源联结方式
接线盒式
-
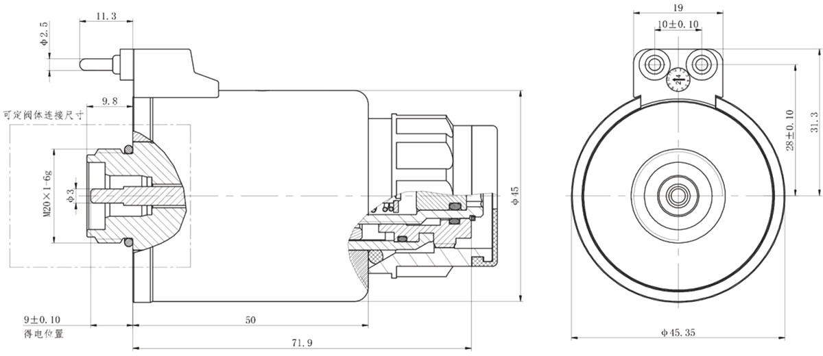
外形及安装尺寸

-
产品信息

-
反馈
空气悬架市场种类?
第一类:是随着引进车型整体进入中国市场上的空气悬架系统。西安沃尔沃、常州依维柯、亚星奔驰等引进车型上的空气悬架系统就属于这一类。这一类在中国车用空气悬架系统市场上占有主导地位。第二类:是直接从国外引进...

中文简体
English























