-
用途
-
技术参数
型号/参数
颜定电流(A)
定吸力(N)
行程(mm)
全行程(mm)
通电率(%)
电阻(20℃)(Ω)
力滞环(%)
电流滞环(%)
重复精度(%)
耐油压(MPa)
防护等级
绝缘等级
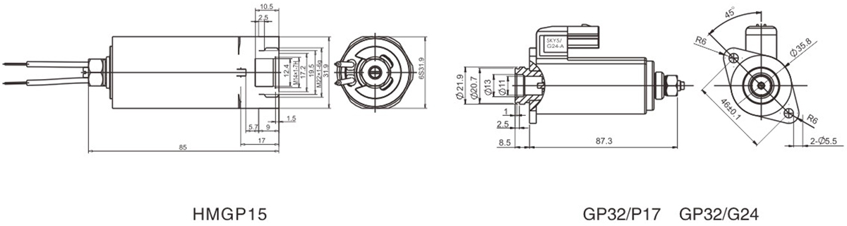
HMGP15
0.8
32N
1.3
2.3
100
17.5
≤6
≤4
≤1
16
IP65
H级
GP32/P17
(SKY5P-17-A)0.7
28N
100
≤6
≤4
≤1
16
IP65
H级
GP32/G24
(SKY5-G24-A)24
30N
1.3
2.3
100
17.5
≤6
≤4
≤1
16
IP65
H级
-
外形及安装尺寸

-
产品信息

-
反馈
空气悬架市场种类?
第一类:是随着引进车型整体进入中国市场上的空气悬架系统。西安沃尔沃、常州依维柯、亚星奔驰等引进车型上的空气悬架系统就属于这一类。这一类在中国车用空气悬架系统市场上占有主导地位。第二类:是直接从国外引进...

中文简体
English























